
電線電纜拉力試驗機試驗機
YTN-S300B電線電纜拉力試驗機試驗機產品概述:
YTN-S300B電線電纜拉力試驗機試驗機主機采用油缸下置式主機結構,主要用于金屬材料、非金屬材料、產品零件、部件、結構件,標準件的拉伸、壓縮、彎曲等力學性能試驗。
本系列試驗機若增配環境裝置還可做該環境下的材料拉伸、壓縮及彎曲試驗。例如:高溫拉伸、低溫拉伸、壓縮等試驗。
適用于鋼鐵、冶金、建筑建材、質檢中心、水利水電、公路橋梁、科研院所,大專院校力學等廠礦企業和檢測科研機構。
YTN-S300B電線電纜拉力試驗機試驗機產品的制造和檢驗標準
1. GB2611《試驗機通用技術要求》
2. JJG139《拉力、壓力和萬能試驗機》
適用的試驗方法標準
試驗操作和數據處理滿足GB/T228《金屬材料室溫拉伸試驗方法》,GB/T7314《金屬材料室溫壓縮試驗方法》,GB/T232《金屬材料彎曲試驗方法》等上百個標準要求。并可根據客戶需求配置滿足不同標準的數據處理方法。
一、YTN-S300B電線電纜拉力試驗機試驗機主要技術指標
1、主機
主機采用油缸下置式主機,拉伸空間位于主機的上方,壓縮、彎曲試驗空間位于主機下橫梁和工作臺之間。
2、傳動系統
中橫梁升降采用電機經鏈輪帶動絲杠旋轉,調整中橫梁的空間位置,實現拉伸、壓縮空間的調整。
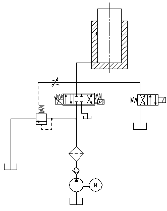
3、液壓系統
液壓原理如圖二所示,為負載適應型進油節流調速系統。
|
圖二 液壓原理圖
油箱內的液壓油通過電機帶動油泵進入油路,流經單向閥、高壓濾油器、壓差閥組、伺服閥,進入油缸。計算機發出控制信號到比例伺服閥,控制比例伺服閥的開口和方向,從而控制進入油缸的流量,實現等速試驗力、等速位移等的控制。
4、YTN-S300B電線電纜拉力試驗機試驗機電氣測控系統:
(1)伺服控制油源核心部件均采用進口原器件,性能穩定。
(2)具有過載、過流、過壓、位移上下限位和緊急停止等保護功能。
(3)基于PCI技術的內置式控制器,保證了該試驗機可以實現試驗力、試樣變形和橫梁位移等參量的閉環控制,可實現等速試驗力、等速位移、等速應變、等速載荷循環、等速變形循環等試驗。各種控制模式之間可以平滑切換。
(4)試驗結束時,可手動或自動高速返回試驗初始位置。
(5)實現了真正意義上的物理調零、增益調整及試驗力測量的自動換檔、調零、標定和存盤,無任何模擬調節環節,控制電路高度集成化。
(6)電氣控制線路參照國際標準,符合國家試驗機電氣標準,抗干擾能力強,保證了控制器的穩定性,實驗數據準確性。
(7)具有網絡傳輸接口,可進行數據的傳輸、存儲、打印記錄和網絡傳輸打印,可與企業內部局域網或Internet網連接。
5、YTN-S300B電線電纜拉力試驗機試驗機軟件主要功能特點描述
該測控軟件用于微機控制電液伺服液壓式萬能試驗機,進行各種金屬及非金屬的試驗,按照相應標準完成實時測量與顯示、實時控制及數據處理、結果輸出等各種功能。
(1)、分權限管理,不同級別的操作者有不同的操作權限,可操作的菜單等內容也不同,既使普通操作者操作簡單、方便、快捷,又有效的保護了系統;
(2)、實時測量與顯示試驗力及峰值、位移、變形等各信號;實現了平臺下的實時采集與控制;并實現了精確定時,高速采樣;
(3)、實現了負荷-變形,負荷-位移等多種試驗曲線的實時屏幕顯示,可隨時切換觀察,曲線的放大與縮小非常方便;
(4)、具備試驗參數的計算機存儲、設定、加載等功能,調零、標定等操作都從軟件上進行,各參數可方便的進行存儲和調入,從而使一臺主機帶多個傳感器時可以方便的切換,而且沒有數目限制;
(5)、支持多種控制方式,包括開環等速位移及等速力、等速應力等多種閉環控制方式;并在高級操作者調試閉環參數過程中給出標準參考曲線,從而使用戶實際觀察到各參數對閉環效果產生的影響。
(6)、具有試驗過程控制模式智能設置專家系統,提供給專業用戶自動程控編程器。用戶可以根據實際需要,按照規則靈活組合多種控制方式及控制速度,編制適合自己需要的控制程序。測控軟件會自動按照用戶設置自動控制試驗過程。
(7)、采用人機交互方式分析數據。處理方法滿足應用廣泛的標準要求,可自動計算彈性模量、屈服強度、規定非比例延伸強度等各種性能參數,也可人工干預分析過程,提高分析的準確度;也可以根據用戶提供的標準進行其他的數據處理。
(8)、試驗數據以文本文件存貯,以方便用戶查詢,以及利用任何通用商業報表、字處理軟件對試驗數據進行再處理,同時方便聯網傳遞數據;
(9)、可記錄、保存試驗過程的數據曲線,可以進行曲線疊加對比,便于對比分析;
(10)、可按用戶要求格式打印試驗報告。用戶可以自己選擇報告輸出基本信息和試驗結果及試驗曲線的內容,滿足各種需要;
(11)、實現了試驗力和變形的數字調零、自動標定,方便了操作,提高了機器的可靠性。各種參數系統設置以文件形式存貯,便于保存和恢復;
(12)、可應用于Win98、Win2000、WinXP等多種操作系統。試驗過程控制、橫梁移動速度的改變、參數輸入等操作可全部用鍵盤、鼠標完成,使用方便快捷;
(13)、具備過載保護自動停機功能,并可以自動判斷試樣斷裂,自動停機。
根據用戶要求不同,上述軟件功能會有增減或調整改變。
6、YTN-S300B電線電纜拉力試驗機試驗機軟件及軟件操作界面:
(1)軟件可以在Windows98/2000/XP,用戶界面呈現與Windows風格一致的中文窗口系統。所有的試驗操作均可以在計算機屏幕上以鼠標輸入的方式完成。
試驗機主界面
位移控制的界面;
力控制的界面;
自動控制的界面;
自主編程的程控界面;
試驗標準模塊界面,不斷添加中
數據查詢
7、YTN-S300B微機控制電液伺服液壓式萬能試驗機安全保護裝置
(1)當試驗力超過最大試驗力的2%-5%時,過載保護,系統卸荷。
(2)當活塞升起達到上極限位置時,行程保護,油泵電機停機。
三、YTN-S300B微機控制電液伺服液壓式萬能試驗機主要性能技術指標
|
序號 |
項 目 名 稱 |
參 數(2立柱2絲杠) |
|
1 |
最大試驗力kN |
300 |
|
2 |
試驗力示值相對誤差 |
≤示值的±1% |
|
3 |
試驗力測量范圍 |
最大試驗力的2%~100% |
|
4 |
等速應力控制范圍(N/mm2·S-1) |
2~60 |
|
5 |
等速應變控制范圍 |
0.00025/s~0.0025/s |
|
6 |
等速位移控制范圍(mm/min) |
0.5~50 |
|
7 |
夾緊方式 |
液壓夾緊 |
|
8 |
圓試樣夾持直徑范圍mm |
Φ4~Φ32 |
|
9 |
扁試樣夾持厚度范圍mm |
0~15 |
|
10 |
扁試樣夾持寬度mm |
70 |
|
11 |
最大拉伸試驗空間mm |
550 |
|
12 |
最大壓縮試驗空間mm |
500 |
|
13 |
控制柜外形尺寸mm |
1100×620×850 |
|
14 |
主機外形尺寸mm |
730×590×1900 |
|
15 |
電機功率kW |
2.3 |
|
16 |
主機質量kg |
1500 |
|
17 |
立柱凈間距(mm) |
450 |
|
18 |
上下壓盤尺寸mm |
Φ150 |
|
19 |
彎曲支棍間距mm |
400 |
|
20 |
彎曲支棍寬度mm |
140 |
|
21 |
容許彎曲度mm |
100 |
|
22 |
最大活塞行程mm |
200 |
|
23 |
活塞最大移動速度mm/min |
約80 |
|
24 |
試驗空間調整速度mm/min |
約150 |
四、YTN-S300B微機控制電液伺服液壓式萬能試驗機標準配置
|
序號 |
名 稱 |
規 格 |
數量 |
備 注 |
|
1 |
主 機 |
|
1臺 |
自制 |
|
2 |
伺服控制油源 |
|
|
自組 |
|
4 |
控制柜 |
|
1臺 |
自制 |
|
5 |
測控系統 |
|
1套 |
自制 |
|
6 |
油壓傳感器 |
|
1只 |
寧波 |
|
7 |
拉伸編碼器 |
|
1只 |
濟南 |
|
8 |
計算機 |
|
1臺 |
惠普 |
|
9 |
打印機 |
|
1臺 |
HP |
|
10 |
圓試樣鉗口mm
|
Φ4~Φ10,Φ10~Φ20 |
1副 |
|
|
板試樣鉗口mm |
0-15 |
|||
|
11 |
彎曲試驗附具 |
增配 |
1套 |
|
|
12 |
油泵 |
|
|
|
|
13 |
電機 |
|
|
|
|
14 |
技術文件 |
使用說明書,裝箱單,合格證 |
|
|

